Il raggio di sterzata di un veicolo è un parametro cruciale che determina la sua agilità e facilità di manovra, specialmente in contesti urbani, parcheggi stretti o strade di montagna. Comprendere come viene calcolato e quali fattori lo influenzano è fondamentale per automobilisti, ingegneri e specialisti del settore. Questo articolo esplora in dettaglio il concetto di raggio di sterzata, la sua importanza, i metodi di calcolo e gli elementi che ne condizionano il valore, offrendo una prospettiva che spazia dall'utente comune al professionista.
Comprendere il Raggio di Sterzata: Definizione e Concetti Fondamentali
Il raggio di sterzata non è altro che lo spazio necessario che una vettura percorre per effettuare una svolta di 180 gradi. Possiamo immaginarlo come il raggio del cerchio immaginario che viene tracciato dall'auto quando si gira il volante al massimo possibile, come quando si esegue un'inversione a U. Per valutare la facilità di manovra e la guidabilità di un'auto, il raggio di sterzata risulta fondamentale, ma viene spesso tralasciato dagli automobilisti.
È importante sottolineare che le ruote di qualsiasi veicolo, in curva, seguono ciascuna una propria traiettoria, ovvero che ciascuna ruota passa altrove di dove passano le altre. Questo è un discorso dalle apparenze elementari ma basilare per chi vuole analizzare il veicolo e le sue peculiarità. Pertanto, ad ogni specifica rotazione del volante corrisponde una contemporanea data circonferenza descritta da ogni ruota. Così, di regola, le due ruote esterne descriveranno entrambe due circonferenze maggiori, sebbene differenti fra loro, mentre quelle più interne ne descriveranno due di raggio inferiore.
Per una comprensione più approfondita, definiamo alcuni termini geometrici chiave:
- Corda (c): La corda è il segmento che unisce due punti di una circonferenza.
- Freccia (f): La freccia è il segmento perpendicolare che unisce il punto medio della corda alla circonferenza.
- Arco (a): L’arco è la lunghezza effettiva della curva lungo la sua superficie.
- Raggio (r): Il raggio è la distanza dal centro della curva a qualsiasi punto della curva stessa.

L'Importanza del Raggio di Sterzata nella Guida Quotidiana e Professionale
Basti pensare quanto possa essere scomodo avere una vettura caratterizzata da un raggio di sterzata molto ampio, cosa ancor più evidente nella vita di tutti i giorni, dato che bisognerà effettuare manovre complicate anche per i parcheggi meno complessi. Un altro contesto ambientale dove questo fattore risulta a dir poco determinante consiste nei classici tornanti a gomito e, più in generale, nelle strade di montagna. Grazie a un raggio di sterzata di bassa entità, si ha la certezza di riuscire a chiudere più facilmente un tornante stretto nella parte interna, senza dover necessariamente invadere la corsia opposta.
Nella guida il conducente non percepisce nulla di queste differenze fra i raggi interni e quelli esterni alle ruote in quanto per compensarli, in autonomo automatismo, il veicolo dispone di sterzo e di differenziale. Tuttavia, ogni conducente dovrebbe invece conoscere e saper gestire tre circonferenze che sono di particolare interesse pratico.

Circonferenze Chiave nella Manovra Veicolare
Per analizzare compiutamente la manovrabilità di un veicolo, è necessario considerare diverse circonferenze che definiscono lo spazio occupato in curva:
- Circonferenza-giro-massima (A): Nello specifico di diametro m 11,30 (raggio 5,65 m) per una Tesla S con ruote interamente sterzate, questa circonferenza è riferita allo spigolo anteriore esterno della carrozzeria. Pertanto, si riferisce alla sua intera altezza dal suolo e, se la stessa fosse costituita da un muro, superarla significherebbe ammaccare la carrozzeria.
- Circonferenza giro-esterno-ruota (B): Questa è una circonferenza più piccola, in quanto descritta dall’esterno pneumatico. Nel caso della Tesla S, il suo raggio è di circa m 5,38. Se invece si trattasse di un marciapiede più basso della carrozzeria del nostro frontale, a limitare la nostra possibilità di giro sarebbe questa circonferenza.
- Circonferenza-giro-minima (C): Questa circonferenza è quella percorsa dalla ruota posteriore interna alla curva. Nel caso della Tesla S, il suo raggio è di soli 2,67 metri.
È fondamentale anche considerare il profilo d’ingombro (D). Quando si curva, non è sufficiente che passi il frontale del veicolo. È pure necessario, con un colpo d’occhio allo specchio retrovisore esterno, lato interno alla curva, assicurarsi che anche la parte posteriore passi in sicurezza senza sconfinare all’interno. Non è tutto: in curva, la larghezza del veicolo aumenta la sua occupazione dello spazio. Per esempio, una Tesla larga 1,96 m occupa in curva una fascia circolare assai più larga, nello specifico fino a 3,12 m, ovvero il 160% della larghezza del veicolo. Questa nuova dimensione della nostra vettura è il cosiddetto profilo d’ingombro, ovvero la fascia di strada effettivamente occupata dalla nostra vettura in curva. Scherzando, si potrebbe dire che in curva bisogna fare attenzione perché gli autoveicoli "ingrassano".

Fattori che Influenzano il Raggio di Sterzata
Sono molteplici gli elementi che vanno a condizionare il raggio di sterzata di una vettura. Il primo in assoluto è senz’ombra di dubbio le dimensioni del veicolo, con la lunghezza su tutte. Chiaramente, maggiore è quest’ultima, maggiore sarà il raggio di sterzata.
In tal senso, risulta determinante anche il cosiddetto angolo di sterzo. Questo angolo si riferisce alla massima inclinazione che le ruote anteriori possono assumere rispetto all'asse longitudinale del veicolo. Le auto a trazione posteriore, in questo caso, risultano più vantaggiose, in quanto dotate di un elevato angolo di sterzo e, conseguentemente, di un diametro di sterzata decisamente ridotto. Ciò è dovuto al fatto che questa tipologia di vettura ha le ruote anteriori non influenzate dai dispositivi di trazione, i quali portano gli avantreni delle auto a trazione anteriore ad essere meno mobili.
Un altro fattore critico è la geometria delle sospensioni e dello sterzo. Il dimensionamento dei bracci dello sterzo, ad esempio, è progettato per gestire la differenza degli angoli di sterzata tra le ruote interne ed esterne.
Infine, anche le condizioni del terreno (come ghiaia, che favorisce lo slittamento) e la pendenza della strada possono influenzare la capacità di manovra e, di conseguenza, il raggio effettivo di sterzata percepito. Anche le capacità del conducente giocano un ruolo, sebbene l'obiettivo del calcolo del raggio minimo sia quello di definire il limite fisico del veicolo.
Esempio Pratico: La Tesla S
I dati di esempio specifici per una Tesla S con ruote interamente sterzate illustrano chiaramente queste dinamiche. Il diametro-giro, ovvero quello del cerchio descritto dalla parte più esterna del veicolo (circonferenza A), è di 11,30 metri. Dobbiamo considerare quattro circonferenze di raggio rispettivamente di 5,27 m (ruota anteriore esterna), 4,35 m (ruota posteriore esterna), 4,02 m (ruota anteriore interna) e 2,67 m (ruota posteriore interna). Ciò significa che, durante questa curva, mentre la ruota posteriore interna percorre una piccola circonferenza di soli 2,7 m circa di raggio, quella anteriore esterna ne percorre una pressoché doppia, ovvero di circa 5,3 m circa di raggio.
Le ruote anteriori descrivono a loro volta una circonferenza esterna di 5,27 m di raggio ed una interna di soli 4,02 m di raggio: di conseguenza, a identica posizione del volante, la ruota interna è maggiormente sterzata di quella esterna. Questa differenza degli angoli di sterzata di ciascuna ruota è oggetto di progettazione e risolta con il dimensionamento dei bracci dello sterzo stesso.
Anche per le ruote posteriori, il fatto di descrivere due circonferenze dissimili (raggio 4,35 e 2,67 m) è determinante. Infatti, se su questo asse si avesse la trazione - in caso contrario il problema passa comunque sull’avanti - ad una data rotazione del motore e rispettivamente dell’albero di trasmissione, in curva la ruota esterna deve poter girare più veloce e quella interna più lenta. Si presenta quindi la necessità di compensare automaticamente le due differenti rotazioni mantenendo costante la spinta d’insieme. A questo, fino ad oggi ci pensava il differenziale; nelle autovetture elettriche a più motori, la sua funzione è invece sostituita da una compensazione elettronica (modulazione dei giri di ciascun motore).

Come Calcolare il Raggio di Sterzata
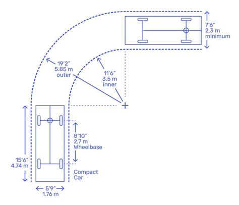
Calcolare il raggio di sterzata della propria automobile può essere utile per capire quanto deve essere grande un parcheggio condominiale, per capire dove posizionare l’apertura del garage, per insegnare a un inesperto come fare al meglio delle manovre e, più in generale, per prendere confidenza con la vettura. Fortunatamente, farlo è un’operazione tutt’altro che difficile, l’importante è avere a propria disposizione un’area ampia, in cui fare manovre in completa tranquillità, senza essere disturbati da nessuno. I posti migliori potrebbero essere i parcheggi vuoti di uno stadio o di un centro commerciale chiuso.
A questo punto, portatevi con voi del gesso o dei coni di plastica. Per prima cosa posizionate a un lato del parcheggio l’automobile, segnando, con un cono o con un gesso, il lato della ruota esterna, rispetto all’inversione che si intende effettuare. Successivamente, sterzate al massimo il volante e iniziate la manovra, percorrendo un’inversione a 180 gradi, per poi segnare nuovamente con un cono o con il gesso la posizione della ruota anteriore esterna. La distanza tra questi due punti andrà a costituire il diametro di sterzata piccolo, che bisogna dividere per due per ottenere il raggio di sterzata minimo (o raggio di sterzata interno alla curva).
Per determinare il raggio di sterzata da parete a parete, invece, bisogna considerare la carrozzeria, in quanto deve esserci un’ampia strada tra le due pareti, così da consentire all’auto di eseguire un’inversione a U senza graffi o urti. Questo valore corrisponde alla circonferenza-giro-massima (A).
#12 Procedura di sterzata
Dalla Teoria alla Pratica: Integrazione dei Dati
Nella incidentologia, non si dovrebbe parlare di analisi cinematica prima di aver conoscenze chiare e profonde della geometria autoveicolare, da non confondere con quella che si regola in officina. Una volta chiariti i concetti, ogni specialista sarà sicuramente in grado anche di integrare questi nel proprio lavoro e nei propri calcoli, per esempio nel definire una traiettoria in modo reale, a seconda della progressione temporale con cui il conducente agisce sul volante e come, di conseguenza, sterzano le ruote e si sposta il veicolo.
Il problema di calcolare il numero minimo di manovre per accedere a un luogo con determinate dimensioni e aperture, data un'auto con specifiche caratteristiche (raggio di sterzata, passo, lunghezza, ecc.), è complesso. Richiede la conoscenza di molteplici variabili:
- Caratteristiche del veicolo: raggio di sterzata (destro e sinistro, che non sono mai uguali), passo, lunghezza totale, sbalzi anteriore e posteriore, larghezza.
- Caratteristiche dell'ambiente: dimensioni dello spazio di manovra, ampiezza dell'apertura (porta del garage), pendenza, tipo di pavimentazione.
- Abilità del conducente: esperienza e precisione nelle manovre.
Non esiste un sistema universale semplice per risolvere questo problema in ogni contesto, poiché la combinazione di queste variabili è quasi infinita.
Veicoli e Raggio di Sterzata: Esempi e Considerazioni
Ci sono particolari modelli di auto caratterizzati da un raggio di sterzata davvero piccolo. Un ridotto raggio di sterzata conferisce all’auto una superiore facilità di parcheggio e un’agilità elevata, quindi peculiarità davvero importanti per gli automobilisti che guidano frequentemente nel traffico cittadino. Per questa ragione, le city car tendono ad avere un minore angolo di sterzata, rendendole perfette per chi ha l’esigenza di muoversi in spazi angusti e per chi vive in città.
D’altronde, può diventare un vero incubo trovare un parcheggio gratis all’interno delle ZTL delle grandi città e fare una sosta, in particolar modo negli orari di punta, dove risulta quasi impossibile. Per affrontare al meglio questa situazione, andrebbe fatta una scelta oculata in fase d’acquisto dell’auto nuova. Per esempio, le vetture con lunghezza minore di 4 metri, vi assicureranno sicuramente un raggio di sterzata abbastanza piccolo, consentendovi di sfruttare gli spazi a disposizione al meglio, senza dover avere timore di potenziali danni agli specchietti retrovisori o alla carrozzeria, oppure di sconfinare sulla carreggiata.
Sono molteplici i marchi che offrono modelli caratterizzati da basso raggio di sterzata, come Peugeot e Citroen, che garantiscono una serie di alternative perfette per consentire ai guidatori di parcheggiare con facilità negli spazi più stretti. Tra i marchi giapponesi segnaliamo Toyota e Mitsubishi, che includono nei loro listini delle ottime vetture per muoversi al meglio nei centri urbani.
Chiaramente, i modelli Smart sono sicuramente quelli più facili da guidare in tal senso, quindi cabrio, Fortwo, Forfour, coupé biposto e le versioni elettriche. La Renault con la Twizy e con la Twingo, di recente offerta anche con propulsione elettrica, hanno avuto un grande successo in tal senso.

In conclusione, il raggio di sterzata è un parametro ingegneristico e pratico di primaria importanza. La sua comprensione dettagliata, i metodi di calcolo e i fattori che lo influenzano sono essenziali per ottimizzare la progettazione dei veicoli e per consentire una guida più sicura ed efficiente in ogni scenario.